Product Summary
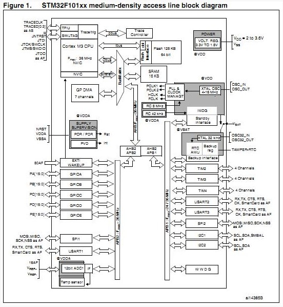
The STM32F101R8T6 is a High-density performance line ARM-based 32-bit MCU with 256 to 512KB Flash, USB, CAN, 11 timers, 3 ADCs, 13 communication interfaces. The STM32F101R8T6 incorporates the high-performance ARM Cortex-M3 32-bit RISC core operating at a 72 MHz frequency, high-speed embedded memories (Flash memory up to 512 Kbytes and SRAM up to 64 Kbytes), and an extensive range of enhanced I/Os and peripherals connected to two APB buses. The STM32F101R8T6 offers three 12-bit ADCs, four general-purpose 16-bit timers plus two PWM timers, as well as standard and advanced communication interfaces: up to two I2Cs, three SPIs, two I2Ss, one SDIO, five USARTs, an USB and a CAN.
Parametrics
STM32F101R8T6 absolute maximum ratings: (1)VDD–VSS, External main supply voltage (including VDDA and VDD): –0.3 to 4.0V; (2)VIN, Input voltage on five volt tolerant pin: VSS - 0.3 VDD + 4.0V; Input voltage on any other pin: VSS - 0.3 to 4.0V; (3)|ΔVDDx|, Variations between different VDD power pins: 50mV; (4)|VSSX - VSS|, Variations between all the different ground pins: 50mV.
Features
STM32F101R8T6 features: (1)Core: ARM 32-bit Cortex-M3 CPU; 36 MHz maximum frequency,1.25 DMIPS/MHz (Dhrystone 2.1) performance at 0 wait state memory; (2)access; Single-cycle multiplication and hardware division; (3)Memories: 64 to 128 Kbytes of Flash memory; 10 to 16 Kbytes of SRAM; (4)Clock, reset and supply management: 2.0 to 3.6 V application supply and I/Os; POR, PDR and programmable voltage detector (PVD); 4-to-16 MHz crystal oscillator; Internal 8 MHz factory-trimmed RC; Internal 40 kHz RC; PLL for CPU clock; 32 kHz oscillator for RTC with calibration; (5)Low power: Sleep, Stop and Standby model; VBAT supply for RTC and backup registers; (6)Debug mode: Serial wire debug (SWD) and JTAG interfaces; (7)DMA: 7-channel DMA controller; Peripherals supported: timers, ADC, SPIs, I2Cs and USARTs.
Diagrams

| Image | Part No | Mfg | Description | ![]() |
Pricing (USD) |
Quantity | ||||||||||||
|---|---|---|---|---|---|---|---|---|---|---|---|---|---|---|---|---|---|---|
![]() |
![]() STM32F101R8T6 |
![]() STMicroelectronics |
![]() ARM Microcontrollers (MCU) 32BIT Cortex M3 64KB 10KB RAM 1X12 ADC |
![]() Data Sheet |
![]()
|
|
||||||||||||
![]() |
![]() STM32F101R8T6TR |
![]() STMicroelectronics |
![]() ARM Microcontrollers (MCU) 32BIT Cortex M3 Access Line |
![]() Data Sheet |
![]()
|
|
||||||||||||
(China (Mainland))









