Product Summary
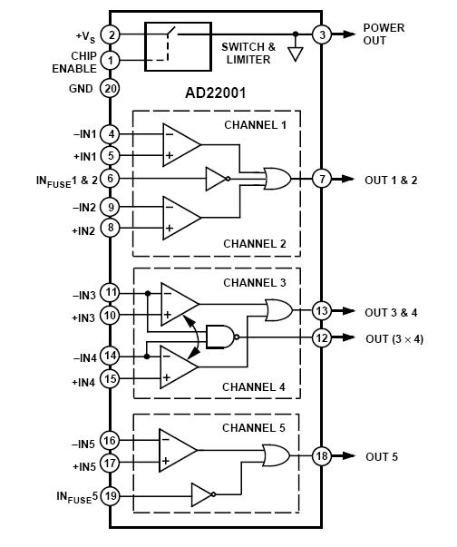
The AD22003BP is a monolithic, five-channel comparator circuit for monitoring the functionality of lamps in automotive applications. The AD22003BP tests the series circuit leading to the lamp to determine if the circuit is intact and a functional lamp is in the socket. The AD22003BP continuously checks the functionality of up to five bulbs in either their “on” or “off” state, and also tests for the presence of an in-line fuse in two of the series circuits.
Parametrics
AD22003BP absolute maximum ratings: (1)Forward Supply Voltage: +36 V; (2)Reversed Supply Voltage: –34 V; (3)Forward Transient (40 ms): +60 V; (4)Reverse Transient (40 ms):–40 V; (5)Voltage on Any Input Pin Relative to GND: –34 V to +36 V; (6)Power Dissipation (VS = 13.5 V): 300 mW; (7)Operating Temperature (Ambient):–40℃ to +125℃; (8)Storage Temperature:–65℃ to +150℃.
Features
AD22003BP features: (1)Continuous Status Checks of Five Bulbs; (2)Lamp Status Check in “ON” and “OFF” States; (3)Status Checks of Two In-Line Fuses; (4)Very Low Voltage Drop at Sensor Shunt Resistor (Comparator Threshold 1.75 mV at 22℃); (5)Temperature and Supply Voltage Compensated; (6)Powered Directly from Car Battery: Protection Included for Transient, Reverse Supply, Load Dump; (7)Operating Temperature Range: –40℃ to +125℃; (8)15V CMOS Compatible Digital Output Signals; (9)Voltage Limited Power Supply Output for 15 V CMOS Logic ICs.
Diagrams

![]() |
![]() AD220-00 |
![]() NVE Corp/Sensor Products |
![]() SENSOR MAG SW 28G STANDRD 8TSSOP |
![]() Data Sheet |
![]()
|
|
||||||||||||||||
![]() |
![]() AD22001 |
![]() Other |
![]() |
![]() Data Sheet |
![]() Negotiable |
|
||||||||||||||||
![]() |
![]() AD220-02 |
![]() NVE Corp/Sensor Products |
![]() SENSOR MAG SW 28G STANDARD 8SOIC |
![]() Data Sheet |
![]()
|
|
||||||||||||||||
![]() |
![]() AD22035Z |
![]() |
![]() IC ACCELEROMETER 100MV/G 8CLCC |
![]() Data Sheet |
![]()
|
|
||||||||||||||||
![]() |
![]() AD22035Z-RL |
![]() |
![]() IC ACCELEROMETER 100MV/G 8CLCC |
![]() Data Sheet |
![]()
|
|
||||||||||||||||
![]() |
![]() AD22035Z-RL7 |
![]() |
![]() IC ACCELEROMETER 100MV/G 8CLCC |
![]() Data Sheet |
![]()
|
|
||||||||||||||||
(China (Mainland))










