Product Summary
The ADT1-1WT is a RF transformer. The applications of the ADT1-1WT include impedance matching, balanced amplifier.
Parametrics
ADT1-1WT absolute maximum ratings: (1)Operating Temperature: -20℃ to 85℃; (2)Storage Temperature: -55℃ to +100℃; (3)PF power: 0.5W; (4)DC Current: 30mA.
Features
ADT1-1WT features: (1)excellent amplitude unbalance, 0.1dB typ. and phase unbalance, 1 deg.typ.in 1dB bandwidth; (2) aqueous washable; (3)protected under US patent 6133525.
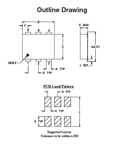
Diagrams

| Image | Part No | Mfg | Description | ![]() |
Pricing (USD) |
Quantity | ||||
|---|---|---|---|---|---|---|---|---|---|---|
![]() |
![]() ADT1-1WT |
![]() Other |
![]() |
![]() Data Sheet |
![]() Negotiable |
|
||||
| Image | Part No | Mfg | Description | ![]() |
Pricing (USD) |
Quantity | ||||
![]() |
![]() ADT1-1WT |
![]() Other |
![]() |
![]() Data Sheet |
![]() Negotiable |
|
||||
![]() |
![]() ADT14 |
![]() Other |
![]() |
![]() Data Sheet |
![]() Negotiable |
|
||||
(China (Mainland))









