Product Summary
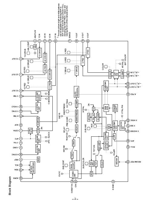
The CXA2019Q is an NTSC/PAL Chroma Decoder. The CXA2019Q is a bipolar IC which integrates the luminance signal processing, chroma signal processing, and sync signal processing functions for NTSC/PAL system color TVs onto a single chip. The application of the CXA2019Q is Color TVs.
Parametrics
CXA2019Q absolute maximum ratings: (1) Supply voltage VCC: 12V; (2)Operating temperature Topr: -20℃ to +75℃; (3)?Storage temperature Tstg: -65℃ to +150℃; (4)?Allowable power dissipation PD: 1.67W.
Features
CXA2019Q features: (1)Sub picture bright and white balance can be adjusted by using the main picture Y/C/J BGP output as the timing pulse; (2)I2C BUS compatible; two bus lines (SCL, SDA) allow various adjustments and user controls; (3)Countdown system eliminates need for H and V oscillator frequency adjustment; (4)Non-adjusting Y system filters (chroma trap, delay line); (5)Automatic identification of color system (forced control possible); (6)Automatic identification of 50/60Hz vertical frequency (forced control possible); (7)Built-in delay line aperture correction; (8)Built-in dynamic picture (black expansion) function; (9)Combination with a non-adjusting SECAM chroma decoder allows configuration of multiple systems.
Diagrams

![]() |
![]() CXA20 |
![]() Other |
![]() |
![]() Data Sheet |
![]() Negotiable |
|
||||||||||||
![]() |
![]() CXA2000Q |
![]() Other |
![]() |
![]() Data Sheet |
![]() Negotiable |
|
||||||||||||
![]() |
![]() CXA2002R |
![]() Other |
![]() |
![]() Data Sheet |
![]() Negotiable |
|
||||||||||||
![]() |
![]() CXA2006Q |
![]() Other |
![]() |
![]() Data Sheet |
![]() Negotiable |
|
||||||||||||
![]() |
![]() CXA2011-0000-000P00F00E8 |
![]() Cree, Inc. |
![]() High Power LEDs - White White 680lm XLamp CXA LED |
![]() Data Sheet |
![]()
|
|
||||||||||||
![]() |
![]() CXA2011-0000-000P00F027F |
![]() Cree, Inc. |
![]() High Power LEDs - White White 680lm XLamp CXA LED |
![]() Data Sheet |
![]()
|
|
||||||||||||
(China (Mainland))









