Product Summary
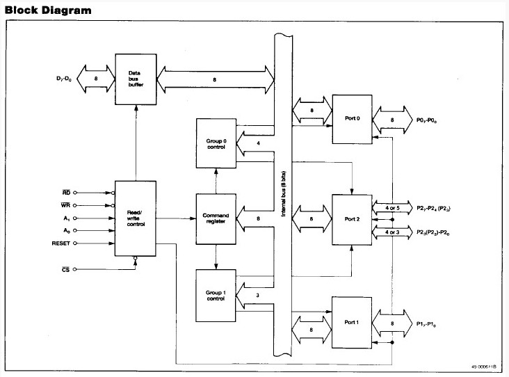
The D71055GB is a low-power CMOS programmable parallel interface unit for use in microcomputer systems. Typically, the units three I/O ports interface peripheral devices to the system bus.
Parametrics
D71055GB absolute maximum ratings: (1) power supply voltage: -0.5V to 7.0V; (2)input voltage: -0.5V to Vdd+0.3V; (3) output voltage: -0.5V to Vdd+0.3V; (4)power dissipation: 500mW. (5)operating temperature range: -40℃ to 85℃ . (6)Istorage temperature range: -65℃ to 150℃ .
Features
D71055GB features: (1)Three 8-bit I/O ports; (2)Three programmable operation modes; (3)Bit manipulation command; (4)Microcomputer compatible; (5)CMOS technology; (6)Single +5V ±10% power supply; (7)Industrial temperature range would be from -40℃ to 85℃; (8)8MHz and 10MHz.
Diagrams

![]() |
![]() D71055C |
![]() Other |
![]() |
![]() Data Sheet |
![]() Negotiable |
|
||||
(China (Mainland))








