Product Summary
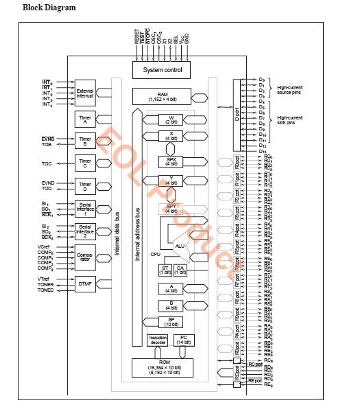
The HD404638RA88F is a PROM version ZTAT microcomputer. The HD404638RA88F is a member of the HMCS400-series microcomputers designed to increase program productivity with large-capacity memory. The HD404638RA88F, completely compatible with the HD404639 Series, reduces current dissipation in half and includes a high-speed version. Each microcomputer has a high-precision dual-tone multi frequency (DTMF) generator, four timers, two serial interfaces, voltage comparator, input capture circuit, 32-kHz oscillator for clock, and four low-power dissipation modes.
Parametrics
HD404638RA88F absolute maximum ratings: (1)Supply voltage VCC: -0.3 to +7.0V; (2)Programming voltage VPP: -0.3 to +14.0V; (3)Pin voltage VT: -0.3 to VCC + 0.3V; (4)Total permissible input current: 105mA; (5)Total permissible output current: 50mA; (6)Maximum input current Io: 4mA, 30mA; (7)Maximum output current: 4mA, 20mA; (8)Operating temperature Topr: -20℃ to +75℃; (9)Storage temperature Tstg: -55℃ to +125℃.
Features
HD404638RA88F features: (1)8,192-word×10-bit ROM (HD404638R, HD40A4638R); (2)16,384-wordx10-bit ROM (HD404639R, HD40A4639R, HD407A4639R); (3)1,152-digit x4-bit RAM; (4)61 I/O pins and 7 dedicated input pins; (5)12 high-current output pins: Eight 15-mA sinks (a maximum of 7 pins can be used at the same time) and four 10-mA sources; (6)Four timer/counters; (7)Eight-bit input capture circuit; (8)Three timer outputs (including two PWM outputs); (9)Two event counter inputs (including one double-edge function); (10)Two clock-synchronous 8-bit serial interfaces; (11)Comparator (4 channels); (12)On-chip DTMF generator: fOSC = 400 kHz, 800 kHz, 2 MHz, 3.58 MHz, 4 MHz, 7.16 MHz, or 8 MHz (7.16 MHz and 8 MHz are only available for HD40A4638R, HD40A4639R and HD407A4639R); (13)Built-in oscillators; (14)Main clock: Ceramic oscillator or crystal (an external clock is also possible); (15)Subclock: 32.768-kHz crystal; (16)Eleven interrupt sources; (17)Five by external sources, including three double-edge function; (18)Six by internal sources; (19)Subroutine stack up to 16 levels, including interrupts; (20)Four low-power dissipation modes: Subactive mode, Standby mode, Watch mode, Stop mode; (21)One external input for transition from stop mode to active mode; (22)Instruction cycle time: 1 ms (fOSC = 4 MHz at 1/4 division ratio), 0.5 ms (fOSC = 8 MHz at 1/4 division ratio); (23)1/4, 1/8, 1/16, or 1/32 division ratio can be selected; (24)Operation voltage; (25)2.7 V to 6.0 V (HD404638R, HD404639R, HD40A4638R, HD40A4639R); (26)2.7 V to 5.5 V (HD407A4639R); (27)With VCC = 2.2 V to 6.0 V, watch mode can be supported, and instructions can be executed in subactive mode (not applicable to the HD407A4639R); (28)Two operating modes; (29)MCU mode; (30)MCU/PROM mode (HD407A4639R).
Diagrams

![]() |
![]() HD40L4808 |
![]() Other |
![]() |
![]() Data Sheet |
![]() Negotiable |
|
||||
![]() |
![]() HD40L4019RS |
![]() Other |
![]() |
![]() Data Sheet |
![]() Negotiable |
|
||||
![]() |
![]() HD40L4019RH |
![]() Other |
![]() |
![]() Data Sheet |
![]() Negotiable |
|
||||
![]() |
![]() HD404849 |
![]() Other |
![]() |
![]() Data Sheet |
![]() Negotiable |
|
||||
![]() |
![]() HD404829R |
![]() Other |
![]() |
![]() Data Sheet |
![]() Negotiable |
|
||||
![]() |
![]() HD404720 series |
![]() Other |
![]() |
![]() Data Sheet |
![]() Negotiable |
|
||||
(China (Mainland))








