Product Summary
The MT8HTF25664HZ-800 is a DDR2 SDRAM SODIMM.
Parametrics
MT8HTF25664HZ-800 absolute maximum ratings: (1)VDD VDD supply voltage relative to VSS: –1.0 to 2.3 V; (2)VDDQ VDDQ supply voltage relative to VSS: –0.5 to 2.3 V; (3)VDDL VDDL supply voltage relative to VSS: –0.5 to 2.3 V; (4)VIN, VOUT Voltage on any pin relative to VSS: –0.5 to 2.3 V; (5)IOZ Output leakage current; 0V ≤ VOUT ≤ VDDQ; DQ and ODT are disabled: –5 to 5 μA; (6)IVREF VREF leakage current; VREF = valid VREF level: –16 to 16 μA; (7)TC DDR2 SDRAM component operating temperature: 0 to 85 ℃; (8)TA Module ambient operating temperature: 0 to 70 ℃.
Features
MT8HTF25664HZ-800 features: (1)200-pin, small-outline dual in-line memory module(SODIMM); (2)Fast data transfer rates: PC2-3200, PC2-4200, PC2-5300, PC2-6400, or PC2-8500; (3)VDD = VDDQ 1.8V; (4)VDDSPD = 1.7 to 3.6V; (5)JEDEC-standard 1.8V I/O (SSTL_18-compatible); (6)Differential data strobe (DQS, DQS#) option; (7)4n-bit prefetch architecture; (8)Multiple internal device banks for concurrent operation; (9)Programmable CAS latency (CL); (10)Posted CAS additive latency (AL); (11)WRITE latency = READ latency - 1 tCK; (12)Programmable burst lengths (BL): 4 or 8; (13)Adjustable data-output drive strength; (14)64ms, 8192-cycle refresh; (15)On-die termination (ODT); (16)Serial presence detect (SPD) with EEPROM; (17)Gold edge contacts; (18)Single rank; (19)Halogen-free.
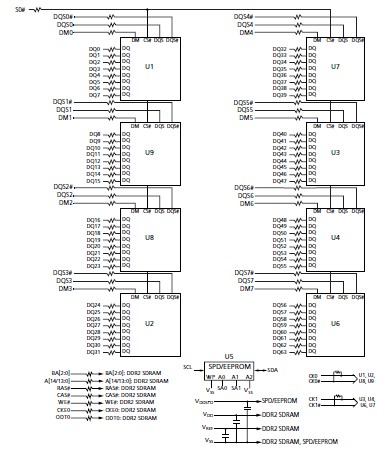
Diagrams

| Image | Part No | Mfg | Description | ![]() |
Pricing (USD) |
Quantity | ||||||
|---|---|---|---|---|---|---|---|---|---|---|---|---|
![]() |
![]() MT8HTF25664HZ-800C1 |
![]() |
![]() MODULE DDR2 SDRAM 2GB 200SODIMM |
![]() Data Sheet |
![]()
|
|
||||||
| Image | Part No | Mfg | Description | ![]() |
Pricing (USD) |
Quantity | ||||||
![]() |
![]() MT8HTF12864AY-1GAE1 |
![]() |
![]() MODULE DDR2 1GB 240-UDIMM |
![]() Data Sheet |
![]() Negotiable |
|
||||||
![]() |
![]() MT8HTF12864AY-40EA1 |
![]() |
![]() MODULE SDRAM DDR2 1GB 240DIMM |
![]() Data Sheet |
![]() Negotiable |
|
||||||
![]() |
![]() MT8HTF12864AY-40ED1 |
![]() |
![]() MODULE SDRAM DDR2 1GB 240DIMM |
![]() Data Sheet |
![]() Negotiable |
|
||||||
![]() |
![]() MT8HTF12864AY-53EA9 |
![]() |
![]() MODULE DDR2 1GB 240DIMM |
![]() Data Sheet |
![]() Negotiable |
|
||||||
![]() |
![]() MT8HTF12864AY-53ED1 |
![]() |
![]() MODULE SDRAM DDR2 1GB 240DIMM |
![]() Data Sheet |
![]() Negotiable |
|
||||||
![]() |
![]() MT8HTF12864AY-53EG1 |
![]() Micron Technology Inc |
![]() MODULE DDR2 1GB 267MHZ 240-DIMM |
![]() Data Sheet |
![]()
|
|
||||||
(China (Mainland))










