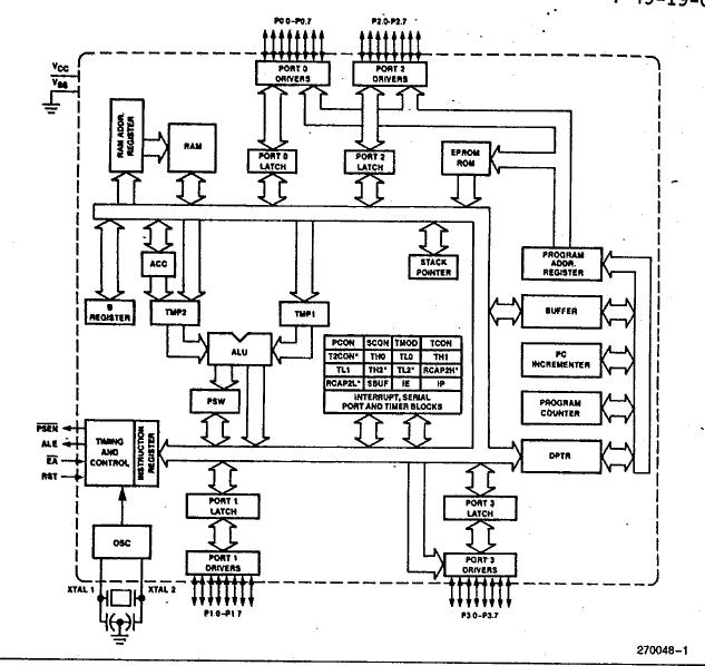
Product Summary
The P8050AH is a 8-bit control oriented microcomputer. It is optimized for control applications. Byte-processing and numerical operations on small data structures are facilitated by a variety of fast addressing modes for accessing the internal RAM. The P8050AH provides a convenient menu of 8-bit arithmetic instructions, including multiply and divide instructions. Extensive on-chip support is provided for one-bit variable as a separate data type, allowing direct bit manipulation and testing in control and logic systems that require Boolean processing.
Parametrics
P8050AH absolute maximum ratings: (1)Ambiant Temperature Under Bias: 0℃ to +70℃; (2)Storage Temperature:-65℃ to + 150℃; (4)Voltage on EA/VPP pin to VSS:-0.5 V to +21.5V; (5)Voltage on Any Pin to VSS:-0.5 V to 7V; (6)Power Dissipation: 1.5W
Features
P8050AH features: (1)High performance HMOS process; (2)Internal Timers/Event Counters; (3)2-Level Interrupt Priority Structure; (4)32 I/O Lines (four 8-bit ports); (5)64K Program Memory space; (6)Security Feature Protects EPROM Parts Against Software Piracy; (7)Boolean Processor; (8)Bit-Addressable RAM; (9)Programmable Full Duplex Serial channel; (10)111 instructions (64 single-Cycle); (11)64K data Memory Space.
Diagrams

![]() |
![]() P8052AH |
![]() Other |
![]() |
![]() Data Sheet |
![]() Negotiable |
|
||||
(China (Mainland))








