Product Summary
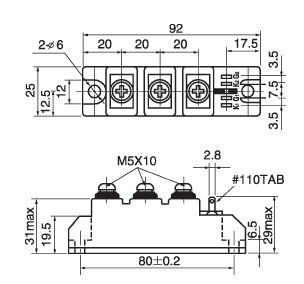
The Power Thyristor/Diode Module PK110F-160 is designed for various rectifier circuits and power controls. For your circuit application following internal connections and wide voltage ratings up to 1,600V are available. Two elements in a package and electrically isolated mounting base make your mechanical design easy.
Parametrics
PK110F-160 absolute maximum ratings: (1)VRRM, Repetitive Peak Reverse Voltage: 1600 V; (2)VRSM, Non-Repetitive Peak Reverse Voltage: 1700V; (3)VDRM, Repetitive Peak Off-State Voltage: 1600V.
Features
PK110F-160 features: (1)IT(AV)110A, IT(RMS)172A, ITSM 2550A; (2)di/dt 200 A/ s; (3)dv/dt 500V/ s.
Diagrams

![]() |
![]() PK1100B1/4 |
![]() TE Connectivity / Alcoswitch |
![]() Knobs & Dials MLD PHEN W/ DOT IND |
![]() Data Sheet |
![]()
|
|
||||||||||||
![]() |
![]() PK1100B1/8 |
![]() TE Connectivity / Alcoswitch |
![]() Knobs & Dials SERRATED KNOB DESIGN DOT, TOP, W/O SKIRT |
![]() Data Sheet |
![]()
|
|
||||||||||||
![]() |
![]() PK110F120 |
![]() Other |
![]() |
![]() Data Sheet |
![]() Negotiable |
|
||||||||||||
![]() |
![]() PK110F160 |
![]() Other |
![]() |
![]() Data Sheet |
![]() Negotiable |
|
||||||||||||
![]() |
![]() PK110F40 |
![]() Other |
![]() |
![]() Data Sheet |
![]() Negotiable |
|
||||||||||||
![]() |
![]() PK110F80 |
![]() Other |
![]() |
![]() Data Sheet |
![]() Negotiable |
|
||||||||||||
(China (Mainland))









