Product Summary
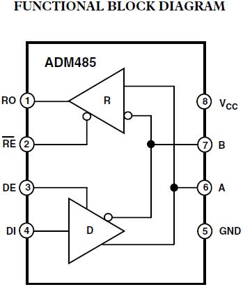
The ADM485ARZ is a differential line transceiver suitable for high speed bidirectional data communication on multipoint bus transmission lines. It is designed for balanced data transmission and complies with both EIA Standards RS-485 and RS-422. The ADM485ARZ contains a differential line driver and a differential line receiver. Both the driver and the receiver may be enabled independently. When disabled, the outputs are tristated. The applications of the ADM485ARZ include Low Power RS-485 Systems, DTE-DCE Interface, Packet Switching, Local Area Networks, Data Concentration, Data Multiplexers and Integrated Services Digital Network (ISDN).
Parametrics
ADM485ARZ absolute maximum ratings: (1)VCC: +7 V; (2)Inputs: Driver Input (DI): –0.3 V to VCC + 0.3 V; Control Inputs (DE, RE): –0.3 V to VCC + 0.3 V; Receiver Inputs (A, B): –14 V to +14 V; (3)Outputs: Driver Outputs: –14 V to +14 V; Receiver Output: –0.5 V to VCC +0.5 V; (4)Power Dissipation: 500 mW; (5)θJA, Thermal Impedance:+130℃/W; (6)Operating Temperature Range: 0℃ to +70℃; (7)Storage Temperature Range: –65℃ to +150℃; (8)Lead Temperature (Soldering, 10 sec): +300℃; (9)Vapour Phase (60 sec): +215℃; (10)Infrared (15 sec): +220℃.
Features
ADM485ARZ features: (1)Meets EIA RS-485 Standard; (2)5 Mb/s Data Rate; (3)Single +5 V Supply; (4)–7 V to +12 V Bus Common-Mode Range; (5)High Speed, Low Power BiCMOS; (6)Thermal Shutdown Protection; (7)Short Circuit Protection; (8)Zero Skew Driver; (9)Driver Propagation Delay: 10 ns; (10)Receiver Propagation Delay: 25 ns; (11)High Z Outputs with Power Off; (12)Superior Upgrade for LTC485.
Diagrams

| Image | Part No | Mfg | Description | ![]()  | 
                            Pricing (USD)  | 
                            Quantity | ||||||||||||||||||||
|---|---|---|---|---|---|---|---|---|---|---|---|---|---|---|---|---|---|---|---|---|---|---|---|---|---|---|
![]()  | 
                            ![]() ADM485ARZ  | 
                            ![]()  | 
                            ![]() IC TX/RX SINGLE RS-485 5V 8SOIC  | 
                            ![]() Data Sheet  | 
                            ![]() 
  | 
                            
                            	 | 
                      ||||||||||||||||||||
![]()  | 
                            ![]() ADM485ARZ-REEL  | 
                            ![]()  | 
                            ![]() IC TXRX RS-485 5V 5MBPS 8SOIC  | 
                            ![]() Data Sheet  | 
                            ![]() 
  | 
                            
                            	 | 
                      ||||||||||||||||||||
 (China (Mainland)) 
                         
                        
                                    







