Product Summary
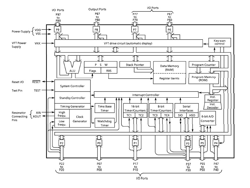
The TMP87CH70BF-6811 is a CMOS 8-bit Microcontroller. The TMP87CH70BF-6811 is capable of addressing 64K bytes of memory. The TMP87CH70BF-6811 uses a memory mapped I/O system, and all O/O registers are mapped in the SFR/DBR address spaces. There are 16 banks of general-purpose registers. The register banks are also assigned to the first 128 bytes of the RAM address space.
Parametrics
TMP87CH70BF-6811 absolute maximum ratings: (1)Supply Voltage: -0.3V to 6.5V; (2)Input Voltage: -0.3V to VDD+0.3V; (3)Output Voltage: -0.3V to VDD+0.3V, VDD+40 to VDD+0.3V; (4)Output Current (total): 120mA, -120mA; (5)Power dissipation: 350mW; (6)Soldering Temperature: 260℃ (10s); (7)Storage temperature: -55℃ to 125℃; (8)Operating Temperature: -30℃ to 70℃.
Features
TMP87CH70BF-6811 features: (1)8-bit single chip microcomputer TLCS-870 Series ; (2)Instruction execution time: 0.5μs(at 8 MHz), 122μs (at 32.768 kHz) ; (3)412 basic instructions; (4)Multiplication and Division; (5)Bit manipulations (Set/Clear/Complement/Move/Test Exclusive or)16-bit data operations; (6)1-byte jump/subroutine-call (Short relative jump/Vector call) ; (7)14 interrupt sources (External: 5, Internal: 9); (8)Alt sources have independent latches each, and nested interrupt control is available; (9)3 edge-selectable external interrupts with noise reject; (10)High speed task switching by register bank changeover ; (11)10 Input/Output ports (73 pins); (12)Output: 1 port (8 pins); (13)Input/Output: 9 ports (65 pins) ; (14)Two 16-bitTimer/Counters; (15)Timer, Event counter modes ; (16)Two 8-bit Timer/Counters ; (17)Timer, Event counter. Capture (Pulse width/duty measurement), output modes ; (18)Time Base Timer (Interrupt frequency: 1 Hz to 16 kHz) ; (19)Divider output function (frequency: 1kHz to 8kHz) ; (20)Watchdog Timer; (21)8-bit Serial Interface With 8 bytes transmit/receive data buffer; (22)Internal/external serial clock, and 4/8-bit mode ; (23)8-bit High Speed Serial Output (rate: max. 1 bit//2s) ; (24)6-bit A/D conversion input (6 channels).
Diagrams

![]() |
![]() TMP8049PI-6 |
![]() Other |
![]() |
![]() Data Sheet |
![]() Negotiable |
|
||||||||||||
![]() |
![]() TMP814PWR |
![]() Texas Instruments |
![]() Motor / Motion / Ignition Controllers & Drivers Fan Motor Pre-Driver |
![]() Data Sheet |
![]()
|
|
||||||||||||
![]() |
![]() TMP815PWR |
![]() Texas Instruments |
![]() Motor / Motion / Ignition Controllers & Drivers Sgl-Ph Full-Wave Fan-Motor Pre-Driver |
![]() Data Sheet |
![]()
|
|
||||||||||||
![]() |
![]() TMP816PWR |
![]() Texas Instruments |
![]() Motor / Motion / Ignition Controllers & Drivers Sgl-Ph Full-Wave Fan-Motor Pre-Driver |
![]() Data Sheet |
![]()
|
|
||||||||||||
![]() |
![]() TMP821DR |
![]() Texas Instruments |
![]() Motor / Motion / Ignition Controllers & Drivers Two-Phase Half-Wave Motor Predriver |
![]() Data Sheet |
![]()
|
|
||||||||||||
![]() |
![]() TMP821DRG4 |
![]() Texas Instruments |
![]() Motor / Motion / Ignition Controllers & Drivers Two-Phase Half-Wave Motor Predriver |
![]() Data Sheet |
![]()
|
|
||||||||||||
(China (Mainland))









