Product Summary
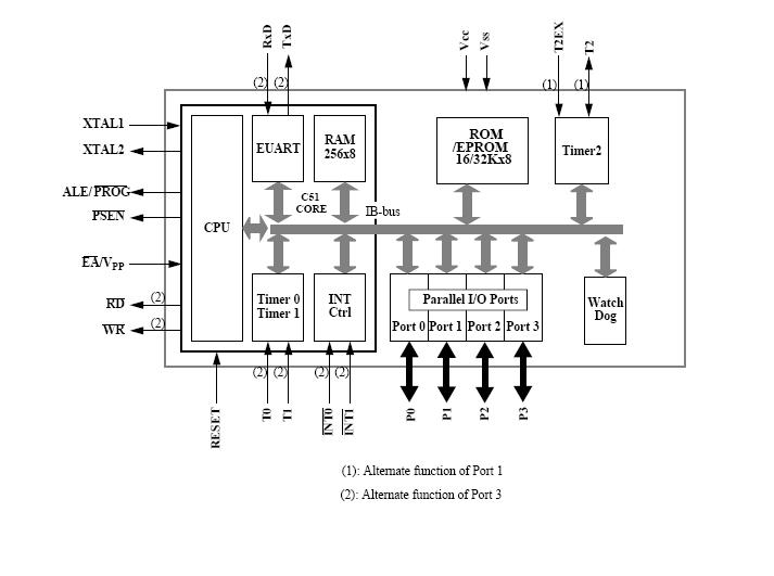
The TS87C58X2L-LCC is an 8-bit CMOS Microcontroller. It features of the TEMIC 80C51 with extended ROM/EPROM capacity (16/32Kbytes), 256 bytes of internal RAM, a 6-source , 4-level interrupt system, an on-chip oscilator and three timer/counters. In addition, the TS87C58X2L-LCC has a Hardware Watchdog Timer, a more versatile serial channel that facilitates multiprocessor communication (EUART) and a X2 speed improvement mechanism.
Parametrics
TS87C58X2L-LCC absolute maximum ratings: (1)Ambiant Temperature Under Bias C = commercial: 0℃ to 70℃; (2)I = industrial: -40℃ to 85℃; (3)Storage Temperature: -65℃ to + 150℃; (4)Voltage on VCC to VSS: -0.5 V to + 7 V; (5)Voltage on VPP to VSS: -0.5 V to + 13 V; (6)Voltage on Any Pin to VSS: -0.5 V to VCC + 0.5 V; (7)Power Dissipation: 1W.
Features
TS87C58X2L-LCC features: (1)8051 pin and instruction compatible; (2)Four 8-bit I/O ports; (3)Three 16-bit timer/counters; (4)256 bytes scratchpad RAM; (5)High-Speed Architecture; (6)Dual Data Pointer; (7)On-chip ROM/EPROM (16K-bytes, 32K-bytes); (8)Programmable Clock Out and Up/Down Timer/Counter 2; (9)Hardware Watchdog Timer (One-time enabled with Reset-Out); (10)Asynchronous port reset; (11)Interrupt Structure with 6 Interrupt sources, 4 level priority interrupt system; (12)Full duplex Enhanced UART; (13)Low EMI (inhibit ALE); (14)Power Control modes; (15)Once mode (On-chip Emulation); (16)Power supply: 4.5-5.5V, 2.7-5.5V; (17)Temperature ranges: Commercial (0 to 70oC) and Industrial (-40 to 85℃); (18)Packages: PDIL40, PLCC44, VQFP44 1.4, PQFP44 F1, CQPJ44 (window), CDIL40 (window).
Diagrams

![]() |
![]() TS87C51FA1SF76 |
![]() |
![]() IC MCU 8BIT 5V 16MHZ OTP 44QFP |
![]() Data Sheet |
![]() Negotiable |
|
||||||||||||||
![]() |
![]() TS87C51FA24SF76 |
![]() |
![]() IC MCU 8BIT 8K OTP EXT 44-MQFP |
![]() Data Sheet |
![]()
|
|
||||||||||||||
![]() |
![]() TS87C51FB1SF76 |
![]() |
![]() IC MCU 8BIT 16K OTP EXT 44-MQFP |
![]() Data Sheet |
![]() Negotiable |
|
||||||||||||||
![]() |
![]() TS87C51FCSF76 |
![]() Intel |
![]() IC MCU 8BIT 32K 12MHZ OTP 44MQFP |
![]() Data Sheet |
![]() Negotiable |
|
||||||||||||||
![]() |
![]() TS87C51RA1 |
![]() |
![]() IC MCU 8BIT 8K 16MHZ OTP 44-MQFP |
![]() Data Sheet |
![]()
|
|
||||||||||||||
![]() |
![]() TS87C51RA24 |
![]() |
![]() IC MCU 8BIT 8K 24MHZ OTP 44-MQFP |
![]() Data Sheet |
![]()
|
|
||||||||||||||
(China (Mainland))









