Product Summary
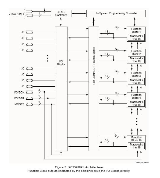
The XC95288XL-10PQG208I is a 3.3V CPLD targeted for high-performance, low-voltage applications in leading-edge communications and computing systems. The XC95288XL-10PQG208I is comprised of 16 54V18 Function Blocks, providing 6,400 usable gates with propagation delays of 6 ns.
Parametrics
XC95288XL-10PQG208I absolute maximum ratings: (1)VCC Supply voltage relative to GND:–0.5 to 4.0V; (2)VIN Input voltage relative to GND:–0.5 to 5.5V; (3)VTS Voltage applied to 3-state output:–0.5 to 5.5V; (4)TSTG Storage temperature (ambient):–65℃ to +150℃; (5)TSOL Maximum soldering temperature (10s @ 1/16 in. = 1.5 mm): +260℃; (6)TJ Junction temperature: +150℃.
Features
XC95288XL-10PQG208I features: (1)6 ns pin-to-pin logic delays; (2)System frequency up to 208 MHz; (3)288 macrocells with 6,400 usable gates; (4)Available in small footprint packages; (5)Optimized for high-performance 3.3V systems; (6)In-system programmable; (7)Superior pin-locking and routability with Fast CONNECT. II switch matrix; (8)Extra wide 54-input Function Blocks; (9)Up to 90 product-terms per macrocell with individual product-term allocation; (10)Local clock inversion with three global and one product-term clocks; (11)Individual output enable per output pin with local inversion; (12)Input hysteresis on all user and boundary-scan pin inputs; (13)Bus-hold circuitry on all user pin inputs; (14)Full IEEE Standard 1149.1 boundary-scan (JTAG); (15)Fast concurrent programming; (16)Slew rate control on individual outputs; (17)Enhanced data security features; (18)Excellent quality and reliability; (19)Pin-compatible with 5V-core XC95288 device in the 208-pin HQFP package.
Diagrams

| Image | Part No | Mfg | Description | ![]() |
Pricing (USD) |
Quantity | ||||||||||||||||
|---|---|---|---|---|---|---|---|---|---|---|---|---|---|---|---|---|---|---|---|---|---|---|
![]() |
![]() XC95288XL-10PQG208I |
![]() |
![]() IC CPLD 288MCELL 10NS 208-PQFP |
![]() Data Sheet |
![]()
|
|
||||||||||||||||
| Image | Part No | Mfg | Description | ![]() |
Pricing (USD) |
Quantity | ||||||||||||||||
![]() |
![]() XC9500 |
![]() Other |
![]() |
![]() Data Sheet |
![]() Negotiable |
|
||||||||||||||||
![]() |
![]() XC9500XV |
![]() Other |
![]() |
![]() Data Sheet |
![]() Negotiable |
|
||||||||||||||||
![]() |
![]() XC9501 |
![]() Other |
![]() |
![]() Data Sheet |
![]() Negotiable |
|
||||||||||||||||
![]() |
![]() XC9502 |
![]() Other |
![]() |
![]() Data Sheet |
![]() Negotiable |
|
||||||||||||||||
![]() |
![]() XC9503 |
![]() Other |
![]() |
![]() Data Sheet |
![]() Negotiable |
|
||||||||||||||||
![]() |
![]() XC9503B093AR-G |
![]() |
![]() IC REG BUCK ADJ 1A DL 10MSOP |
![]() Data Sheet |
![]()
|
|
||||||||||||||||
(China (Mainland))










