Product Summary
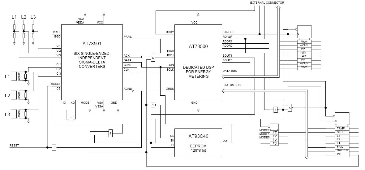
The AT73C500-JC is a Chip Set Solution for Watt-Hour Meters. The AT73C500-JC offers all main features required for the measurement and calculation of various power and energy quantities in static Watt-hour meters. The AT73C500-JC operates according to IEC1036, class 1, specification. IEC 687, class 0.5 and 0.2 requirements are fulfilled when used with external temperature compensated voltage reference.
Parametrics
AT73C500-JC absolute maximum ratings: (1)Supply Voltage VCC, VDA, VDDA: 4.75V to 5.25V; (2)Input Voltage, Digital: -0.3V to VDD +0.3V; (3)Input Voltage, Analog: -0.3V to VDA +0.3V; (4)Input Voltage, CI and VI inputs: 1.25V to 3.75V; (5)Ambient Operating Temperature: -25℃ to +70℃; (6)Storage Temperature: -65℃ to +150℃.
Features
AT73C500-JC features: (1)Fulfills IEC 1036, Class 1 Accuracy Requirements; (2)Fulfills IEC 687, Class 0.5 and Class 0.2 Accuracy, with External Temperature Compensated Voltage Reference; (3)Simultaneous Active, Reactive and Apparent Power and Energy Measurement; (4)Power Factor, Frequency, Voltage and Current Measurement; (5)Single and Poly Phase Operation; (6)Three Basic Operating Modes: Stand-Alone Mode, Microprocessor Mode and Multi Channel Mode; (7)Flexible Interfacing, 8-bit Microprocessor Interface, 8-bit Status Output and Eight Impulse Outputs; (8)Calibration of Gain and Phase Error; (9)Compensation of the Non-Linearity of Low Power Measurement; (10)Adjustable Starting Current and Meter Constant; (11)Measurement Bandwidth of 1000 Hz; (12)Tamper Proof Design; (13)Single +5V Supply.
Diagrams

![]() |
![]() AT737 |
![]() Other |
![]() |
![]() Data Sheet |
![]() Negotiable |
|
||||||
![]() |
![]() AT737HT |
![]() Other |
![]() |
![]() Data Sheet |
![]() Negotiable |
|
||||||
![]() |
![]() AT73C202 |
![]() Atmel |
![]() Other Power Management NGD MONOLITHIC NUMERIC IC |
![]() Data Sheet |
![]() Negotiable |
|
||||||
![]() |
![]() AT73C202J |
![]() Atmel |
![]() Battery Management Monolithic numeric |
![]() Data Sheet |
![]() Negotiable |
|
||||||
![]() |
![]() AT73C221-EK |
![]() Atmel |
![]() Development Boards & Kits - ARM AT73C221 EVALUATION BOARD |
![]() Data Sheet |
![]()
|
|
||||||
![]() |
![]() AT73C213B |
![]() Atmel |
![]() Audio D/A Converter ICs Stereo DAC + Cls AB Amp for portables |
![]() Data Sheet |
![]() Negotiable |
|
||||||
(China (Mainland))








