Product Summary
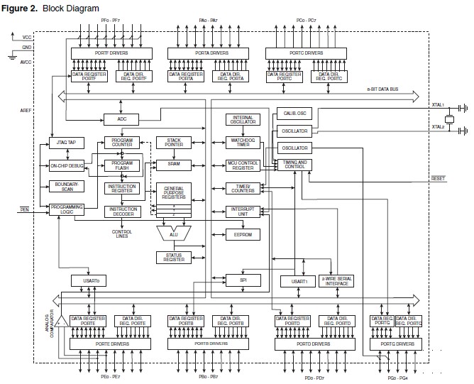
The ATmega64-16AU is a low-power CMOS 8-bit microcontroller based on the AVR enhanced RISC architecture. By executing powerful instructions in a single clock cycle, the ATmega64-16AU achieves throughputs approaching 1 MIPS per MHz, allowing the system designer to optimize power consumption versus processing speed.
Parametrics
ATMEGA64-16AU absolute maximum ratings: (1)Operating Temperature:-55℃ to +125℃; (2)Storage Temperature:-65℃ to +150℃; (3)Voltage on any Pin except RESET with respect to Ground:-0.5V to VCC+0.5V; (4)Voltage on RESET with respect to Ground:-0.5V to +13.0V; (5)Maximum Operating Voltage:6.0V; (6)DC Current per I/O Pin:40.0mA; (7)DC Current VCC and GND Pins:200.0mA to 400.0mA.
Features
ATMEGA64-16AU features: (1)High-performance, Low-power AVR 8-bit Microcontroller; (2)Advanced RISC Architecture: 130 Powerful Instructions Most Single Clock Cycle Execution; 32 x 8 General Purpose Working Registers + Peripheral Control Registers; Fully Static Operation; Up to 16 MIPS Throughput at 16 MHz; On-chip 2-cycle Multiplier; (3)Non-volatile Program and Data Memories: 64K Bytes of In-System Reprogrammable Flash Endurance: 10,000 Write/Erase Cycles; Optional Boot Code Section with Independent Lock Bits In-System Programming by On-chip Boot Program True Read-While-Write Operation; 2K Bytes EEPROM Endurance: 100,000 Write/Erase Cycles; 4K Bytes Internal SRAM; Up to 64K Bytes Optional External Memory Space; Programming Lock for Software Security; SPI Interface for In-System Programming; (4)JTAG (IEEE std. 1149.1 Compliant) Interface: Boundary-scan Capabilities According to the JTAG Standard; Extensive On-chip Debug Support; Programming of Flash, EEPROM, Fuses, and Lock Bits through the JTAG Interface; (5)Two 8-bit Timer/Counters with Separate Prescalers and Compare Modes; (6)Two Expanded 16-bit Timer/Counters with Separate Prescaler, Compare Mode, and Capture Mode; (7)Real Time Counter with Separate Oscillator; (8)Two 8-bit PWM Channels; (9)6 PWM Channels with Programmable Resolution from 1 to 16 Bits.
Diagrams

| Image | Part No | Mfg | Description | ![]() |
Pricing (USD) |
Quantity | ||||||||||||
|---|---|---|---|---|---|---|---|---|---|---|---|---|---|---|---|---|---|---|
![]() |
![]() ATmega64-16AU |
![]() Atmel |
![]() 8-bit Microcontrollers (MCU) 64kB Flash 2kB EEPROM 54 I/O Pins |
![]() Data Sheet |
![]()
|
|
||||||||||||
![]() |
![]() ATMEGA64-16AUR |
![]() Atmel |
![]() 8-bit Microcontrollers (MCU) AVR 64KB FLSH 2KB EE 4KB SRAM-16MHZ 5V |
![]() Data Sheet |
![]()
|
|
||||||||||||
(China (Mainland))










