Product Summary
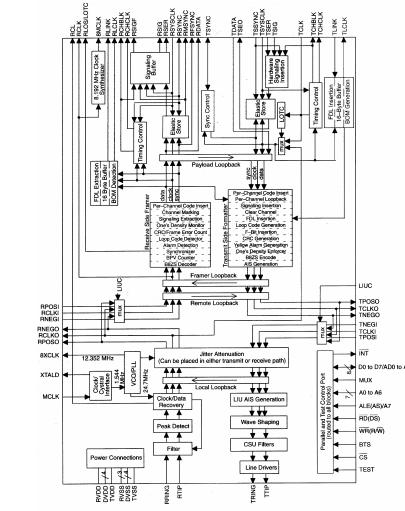
The DS2152L is an Enhanced Single-Chip Transceiver. It contains all of the necessary functions for connection to T1 lines, whether they be DS-1 long haul or DSX-1 short haul. The clock recovery circuitry automatically adjusts to T1 lines from 0 feet to over 6000 feet in length. The DS2152L can generate both DSX-1 line build outs as well as CSU line build outs of -7.5 dB, -15 dB, and -22.5 dB. The DS2152L contains a set of internal registers which the user can access and control the operation of the unit. Quick access via the parallel control port allows a single controller to handle many T1 lines.
Parametrics
DS2152L absolute maximum ratings: (1)Voltage on Any Pin Relative to Ground:-1.0V to +7.0V; (2)Operating Temperature:0℃ to 70℃; (3)Storage Temperature:-55℃ to +125℃; (4)Soldering Temperature:260℃ for 10 seconds.
Features
DS2152L features: (1)Dual onboard two-frame elastic store slip buffers that can connect to asynchronous backplanes up to 8.192 MHz; (2)8-bit parallel control port that can be used directly on either multiplexed or non-multiplexed buses(Intel or Motorola); (3)Extracts and inserts robbed-bit signaling; (4)Detects and generates yellow (RAI) and blue(AIS) alarms; (5)Programmable output clocks for Fractional T1; (6)Fully independent transmit and receive functionality; (7)Integral HDLC controller with 16-byte buffers for the FDL; (8)Generates and detects in-band loop codes from 1 to 8 bits in length including CSU loop codes; (9)Contains ANSI 1’s density monitor and enforcer; (10)Large path and line error counters including BPV, CV, CRC6, and framing bit errors; (11)Pin compatible with DS2154 E1 Enhanced Single-Chip Transceiver; (12)5V supply; low power CMOS; (13)100-pin 14mm2 body LQFP package.
Diagrams

| Image | Part No | Mfg | Description | ![]() |
Pricing (USD) |
Quantity | ||||
|---|---|---|---|---|---|---|---|---|---|---|
![]() |
![]() DS2152LN |
![]() Maxim Integrated Products |
![]() Network Controller & Processor ICs |
![]() Data Sheet |
![]() Negotiable |
|
||||
![]() |
![]() DS2152LN+ |
![]() Maxim Integrated Products |
![]() Network Controller & Processor ICs |
![]() Data Sheet |
![]() Negotiable |
|
||||
![]() |
![]() DS2152L+ |
![]() Maxim Integrated Products |
![]() Network Controller & Processor ICs Enhanced T1 Transceiver |
![]() Data Sheet |
![]() Negotiable |
|
||||
![]() |
![]() DS2152L |
![]() Maxim Integrated Products |
![]() Network Controller & Processor ICs |
![]() Data Sheet |
![]() Negotiable |
|
||||
(China (Mainland))










