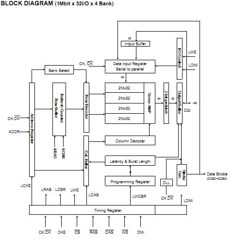
Product Summary
The K4D553235F-VC33 is a 268,435,456 bits hyper synchronous data rate Dynamic RAM organized as 4 x 2,097,152 words by 32 bits, fabricated with high performance CMOS technology. The K4D553235F-VC33 features with Data Strobe allow extremely high performance up to 3.6GB/s/chip. I/O transactions are possible on both edges of the clock cycle. Range of operating frequencies, programmable burst length and programmable latencies allow the K4D553235F-VC33 to be useful for a variety of high performance memory system applications.
Parametrics
K4D553235F-VC33 absolute maximum ratings: (1)Voltage on any pin relative to Vss, VIN, VOUT: -0.5 to 3.6 V; (2)Voltage on VDD supply relative to Vss, VDD: -1.0 to 3.6 V; (3)Voltage on VDD supply relative to Vss, VDDQ: -0.5 to 3.6 V; (4)Storage temperature, TSTG: -55 to +150℃; (5)Power dissipation, PD: 3.3 W; (6)Short circuit current, IOS: 50 mA.
Features
K4D553235F-VC33 features: (1)1.8V ± 0.1V power supply for device operation; (2)1.8V ± 0.1V power supply for I/O interface ; (3)SSTL_18 compatible inputs/outputs; (4)4 banks operation; (5)MRS cycle with address key programs: Read latency 4, 5 and 6 (clock); Burst length (2, 4 and 8); Burst type (sequential & interleave); (6)All inputs except data & DM are sampled at the positive going edge of the system clock; (7)Differential clock input.
Diagrams

![]() |
![]() K4D553238F-JC |
![]() Other |
![]() |
![]() Data Sheet |
![]() Negotiable |
|
||||
![]() |
![]() K4D553238F-GC |
![]() Other |
![]() |
![]() Data Sheet |
![]() Negotiable |
|
||||
![]() |
![]() K4D553235F-GC |
![]() Other |
![]() |
![]() Data Sheet |
![]() Negotiable |
|
||||
![]() |
![]() K4D551638F-TC |
![]() Other |
![]() |
![]() Data Sheet |
![]() Negotiable |
|
||||
![]() |
![]() K4D551638D-TC |
![]() Other |
![]() |
![]() Data Sheet |
![]() Negotiable |
|
||||
(China (Mainland))








