Product Summary
The MPC860TCZQ50D4 is a power quad integrated communications controller. It is a versatile one-chip integrated microprocessor and peripheral combination designed for a variety of controller applications. The MPC860TCZQ50D4 particularly excels in communications and networking systems. The PowerQUICC unit is referred to as the MPC860TCZQ50D4 in this hardware specification.
Parametrics
MPC860TCZQ50D4 absolute maximum ratings: (1)Supply voltage VDDH: –0.3 to 4.0V; (2)VDDL: –0.3 to 4.0V; (3)KAPWR: –0.3 to 4.0V; (4)VDDSYN: –0.3 to 4.0V; (5)Input voltage Vin: GND –0.3 to VDDH V; (6)Temperature TA(min): 0℃; (7)temperature Tj(max): 95℃; (8)Temperature (extended) TA(min): –40℃, Tj(max) 95℃; (9)Storage temperature range Tstg –55℃ to 150℃.
Features
MPC860TCZQ50D4 features: (1)Embedded single-issue, 32-bit core (implementing the Power Architecture technology) with thirty-two 32-bit general-purpose registers (GPRs); (2)Up to 32-bit data bus (dynamic bus sizing for 8, 16, and 32 bits); (3)32 address lines; (4)Operates at up to 80 MHz; (5)Memory controller (eight banks); (6)General-purpose timers; (7)System integration unit (SIU); (8)Seven external interrupt request (IRQ) lines; (9)12 port pins with interrupt capability; (10)23 internal interrupt sources; (11)Programmable priority between SCCs; (12)Programmable highest priority request; (13)10/100 Mbps Ethernet support, fully compliant with the IEEE 802.3u Standard (not available when using ATM over UTOPIA interface); (14)ATM support compliant with ATM forum UNI 4.0 specification; (15)Communications processor module (CPM); (16)Four baud-rate generators (BRGs); (17)Four serial communications controllers (SCCs); (18)Two SMCs (serial management channels); (19)One SPI (serial peripheral interface); (20)One I2C (inter-integrated circuit) port; (21)Time-slot assigner (TSA); (22)Parallel interface port (PIP); (23)PCMCIA interface; (24)Low power support; (25)Debug interface; (26)3.3-V operation with 5-V TTL compatibility except EXTAL and EXTCLK; (27)357-pin ball grid array (BGA) package.
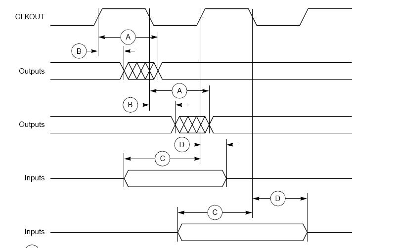
Diagrams

| Image | Part No | Mfg | Description | ![]() |
Pricing (USD) |
Quantity | ||||||||||||
|---|---|---|---|---|---|---|---|---|---|---|---|---|---|---|---|---|---|---|
![]() |
![]() MPC860TCZQ50D4 |
![]() Freescale Semiconductor |
![]() Microprocessors (MPU) POWER QUICC |
![]() Data Sheet |
![]()
|
|
||||||||||||
| Image | Part No | Mfg | Description | ![]() |
Pricing (USD) |
Quantity | ||||||||||||
![]() |
![]() MPC800 |
![]() Other |
![]() |
![]() Data Sheet |
![]() Negotiable |
|
||||||||||||
![]() |
![]() MPC801 |
![]() Other |
![]() |
![]() Data Sheet |
![]() Negotiable |
|
||||||||||||
![]() |
![]() MPC801KG |
![]() Other |
![]() |
![]() Data Sheet |
![]() Negotiable |
|
||||||||||||
![]() |
![]() mPC8104GR |
![]() Other |
![]() |
![]() Data Sheet |
![]() Negotiable |
|
||||||||||||
![]() |
![]() mPC8106TB |
![]() Other |
![]() |
![]() Data Sheet |
![]() Negotiable |
|
||||||||||||
![]() |
![]() mPC8109TB |
![]() Other |
![]() |
![]() Data Sheet |
![]() Negotiable |
|
||||||||||||
(China (Mainland))










