Product Summary
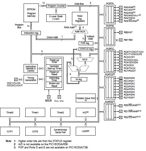
The PIC16C74B-20/PQ is a low cost, high performance, CMOS, fully-static, 8-bit microcontroller in the PIC16CXX mid-range family. The PIC16C74B-20/PQ has enhanced core features, eight-level deep stack and multiple internal and external interrupt sources. The separate instruction and data buses of the Harvard architecture allow a 14-bit wide instruction word with the separate 8-bit wide data.
Parametrics
PIC16C74B-20/PQ absolute maximum ratings: (1)Ambient temperature under bias: -55 to +125℃; (2)Storage temperature: -65 to +150℃; (3)Voltage on any pin with respect to VSS (except VDD, MCLR and RA4): -0.3V to (VDD + 0.3V); (4)Voltage on VDD with respect to VSS: -0.3V to +7.5V; (5)Voltage on MCLR with respect to VSS (Note 2): 0V to +13.25V; (6)Voltage on RA4 with respect to VSS: 0V to +8.5V; (7)Total power dissipation (Note 1): 1.0W; (8)Maximum current out of VSS pin: 300 mA; (9)Maximum current into VDD pin: 250 mA; (10)Input clamp current, IIK (VI < 0 or VI > VDD): ±20 mA; (11)Output clamp current, IOK (VO < 0 or VO > VDD): ±20 mA; (12)Maximum output current sunk by any I/O pin: 25 mA; (13)Maximum output current sourced by any I/O pin: 25 mA; (14)Maximum current sunk by PORTA, PORTB, and PORTE: 200 mA; (15)Maximum current sourced by PORTA, PORTB, and PORTE: 200 mA; (16)Maximum current sunk by PORTC and PORTD: 200 mA; (17)Maximum current sourced by PORTC and PORTD: 200 mA.
Features
PIC16C74B-20/PQ features: (1)Timer0: 8-bit timer/counter with 8-bit prescaler; (2)Timer1: 16-bit timer/counter with prescaler can be incremented during SLEEP via external crystal/clock; (3)Timer2: 8-bit timer/counter with 8-bit period register, prescaler and postscaler; (4)Capture, Compare, PWM modules; (5)8-bit multichannel Analog-to-Digital converter; (6)Synchronous Serial Port (SSP) with SPI TM and I2CTM; (7)Universal Synchronous Asynchronous Receiver Transmitter; (8)Parallel Slave Port (PSP), 8-bits wide with external RD, WR and CS controls; (9)Brown-out detection circuitry for Brown-out Reset (BOR).
Diagrams

| Image | Part No | Mfg | Description | ![]() |
Pricing (USD) |
Quantity | ||||||||||||
|---|---|---|---|---|---|---|---|---|---|---|---|---|---|---|---|---|---|---|
![]() |
![]() PIC16C74B-20/PQ |
![]() Microchip Technology |
![]() 8-bit Microcontrollers (MCU) 7KB 192 RAM 33 I/O |
![]() Data Sheet |
![]()
|
|
||||||||||||
| Image | Part No | Mfg | Description | ![]() |
Pricing (USD) |
Quantity | ||||||||||||
![]() |
![]() PIC1018SCL |
![]() Other |
![]() |
![]() Data Sheet |
![]() Negotiable |
|
||||||||||||
![]() |
![]() PIC10F200 |
![]() Other |
![]() |
![]() Data Sheet |
![]() Negotiable |
|
||||||||||||
![]() |
![]() PIC10F200-E/MC |
![]() Microchip Technology |
![]() 8-bit Microcontrollers (MCU) 384B Flash16B RAM 4 I/O |
![]() Data Sheet |
![]()
|
|
||||||||||||
![]() |
![]() PIC10F200-E/OT |
![]() Other |
![]() |
![]() Data Sheet |
![]() Negotiable |
|
||||||||||||
![]() |
![]() PIC10F200-E/P |
![]() Microchip Technology |
![]() 8-bit Microcontrollers (MCU) U 579-PIC10F200-I/P |
![]() Data Sheet |
![]() Negotiable |
|
||||||||||||
![]() |
![]() PIC10F200-I/MC |
![]() Microchip Technology |
![]() 8-bit Microcontrollers (MCU) 0.375KB Fl 16B RAM |
![]() Data Sheet |
![]()
|
|
||||||||||||
(China (Mainland))










