Product Summary
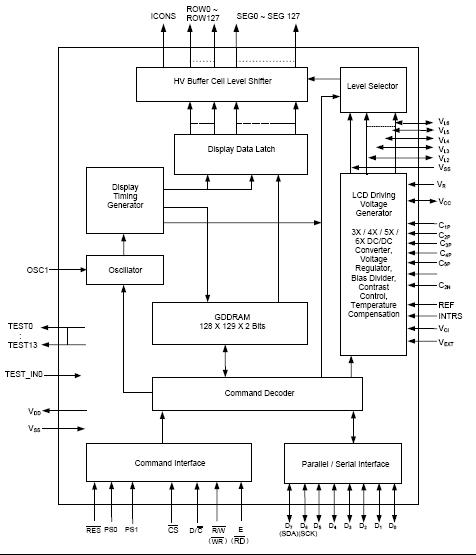
The SSD1852T2R1 is a single-chip CMOS LCD driver with controller for liquid crystal dot-matrix graphic display system. The SSD1852T2R1 consists of 257 high voltage driving output pins for driving 128 Segments, 128 Commons and an ICON line. The SSD1852T2R1 displays data directly from its internal 128x129x2 bits Graphic Display Data RAM (GDDRAM). Data/Commands are sent from general MCU through hardware selectable 6800/8080series compatible Parallel Interface or 3/4 wires Serial Peripheral Interface.
Parametrics
SSD1852T2R1 absolute maximum ratings: (1)VDD: -0.3 to 4.0V; (2)VCC Supply voltage: -0.3 to 15V; (3)VCI Booster Supply Voltage: -0.3 to 4.0V; (4)Vin Input Voltage: -0.3 to VDD + 0. V; (5)I Current Drain Per Pin Excluding VDD and VSS: 25mA; (6)TA Operating Temperature: -30 to +85℃; (7)Tstg Storage Temperature Range: -40 to +85℃.
Features
SSD1852T2R1 features: (1)128 x 128 Dot-matrix 4-gray levels display driver with an icon line; (2)Single supply operation, 1.8V to 3.3V; (3)Minimum +8.0V LCD driving output voltage; (4)Maximum +15.0V LCD driving output voltage; (5)Low current sleep mode; (6)On-chip voltage generator or external LCD driving power supply selectable; (7)On-chip oscillator with external resistor; (8)On-chip bias divider; (9)On-chip 128x129x2bits graphic display data RAM; (10)3X/4X/5X/6X DC–DC converter; (11)Programmable multiplex ratio in dot-matrix display area from 16Mux to 129Mux; (12)Programmable bias ratio from 1/5 to 1/12; (13)8-bit 6800-series & 8-bit 8080-series parallel interface; (14)Serial peripheral interface; (15)Re-mapping of row & column drivers; (16)Vertical scrolling; (17)Display offset control; (18)64 level internal contrast control; (19)External contrast control; (20)Programmable LCD driving voltage temperature coefficients from TC0 (-0.05%/℃) to TC7 (-0.25%/℃); (21)One time programmable (OTP) capability for VL6 adjustment; (22)Programmable COM output sequence; (23)Direct memory access mode; (24)Selectable internal/external oscillator resistor; (25)Available in gold bump die and TAB (Tape Automated Bonding) Package.
Diagrams

![]() |
![]() SSD10 |
![]() Cooper Bussmann |
![]() Fuses 10A 240VAC IND |
![]() Data Sheet |
![]()
|
|
||||||||||||
![]() |
![]() SSD1303 |
![]() Other |
![]() |
![]() Data Sheet |
![]() Negotiable |
|
||||||||||||
![]() |
![]() SSD1332 |
![]() Other |
![]() |
![]() Data Sheet |
![]() Negotiable |
|
||||||||||||
![]() |
![]() SSD1339 |
![]() Other |
![]() |
![]() Data Sheet |
![]() Negotiable |
|
||||||||||||
![]() |
![]() SSD16 |
![]() Cooper Bussmann |
![]() Fuses 16A 240VAC IND |
![]() Data Sheet |
![]()
|
|
||||||||||||
![]() |
![]() SSD1702 |
![]() Other |
![]() |
![]() Data Sheet |
![]() Negotiable |
|
||||||||||||
(China (Mainland))









