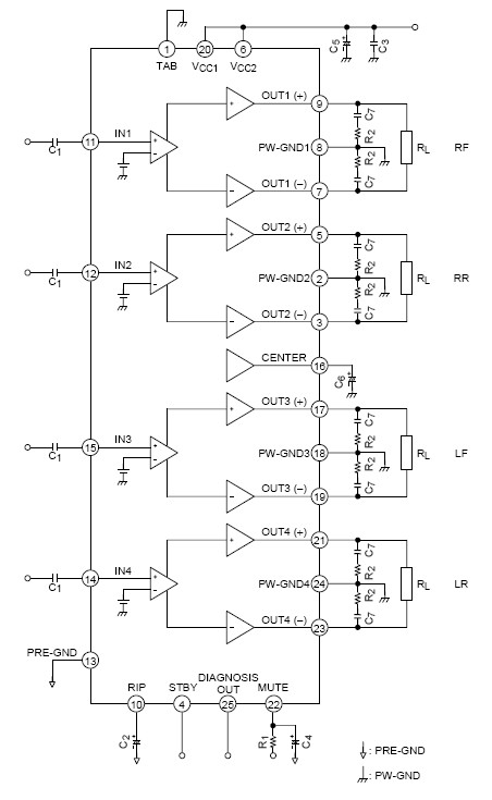
Product Summary
The TA8270HQ is TOSHIBA original class KB (Keyed BTL) high efficiency audio amplifier for car audio applications. The Class KB solutions is no need an external LPF for EMI rejection and then the TA8270HQ is possible to design for limited small DIN size chassis. Conversely, the class D must need an external LPF. Power dissipation of class KB is no more than a half of the class AB solutions. Therefore, the TA8270HQ is possible to design a smaller heatsink and keep lower internal temperature into the car audio set; internal cassette part, CD/MD part etc. This IC can generate more high power and high quality sounds as it is included the pure complementary PNP and NPN transistor output stage.
Parametrics
TA8270HQ absolute maximum ratings: (1)Peak supply voltage (0.2 s) VCC (surge): 50V; (2)DC supply voltage VCC (DC): 25V; (3)Operation supply voltage VCC (opr): 16V; (4)Output current (peak) IO (peak): 9A; (5)Power dissipation PD (Note5): 125W; (6)Operation temperature Topr: -40℃ to 85℃; (7)Storage temperature Tstg: -55℃ to 150℃.
Features
TA8270HQ features: (1)High power; (2)Built-in diagnosis circuit (pin 25); (3)Low distortion ratio: THD = 0.04% (typ.) (VCC = 13.2 V, f = 1 kHz, POUT = 2 W, RL = 4Ω; (4)Low noise: VNO = 0.13mVrms (typ.) (VCC = 13.2 V, Rg = 0 ? GV = 26dB, BW = 20 Hz~20 kHz); (5)Built-in stand-by switch (pin 4); (6)Built-in muting function (pin 22); (7)Built-in various protection circuit; (8)Thermal shut down, over voltage, out to GND, out to VCC, out to out short; (9)Operating supply voltage: VCC (opr) = 9 to 16 V.
Diagrams

![]() |
![]() TA8200AH |
![]() Other |
![]() |
![]() Data Sheet |
![]() Negotiable |
|
||||
![]() |
![]() TA8201AK |
![]() Other |
![]() |
![]() Data Sheet |
![]() Negotiable |
|
||||
![]() |
![]() TA8204 |
![]() Other |
![]() |
![]() Data Sheet |
![]() Negotiable |
|
||||
![]() |
![]() TA8205AH |
![]() Other |
![]() |
![]() Data Sheet |
![]() Negotiable |
|
||||
![]() |
![]() TA8207K |
![]() Other |
![]() |
![]() Data Sheet |
![]() Negotiable |
|
||||
![]() |
![]() TA8208H |
![]() Other |
![]() |
![]() Data Sheet |
![]() Negotiable |
|
||||
(China (Mainland))








