Product Summary
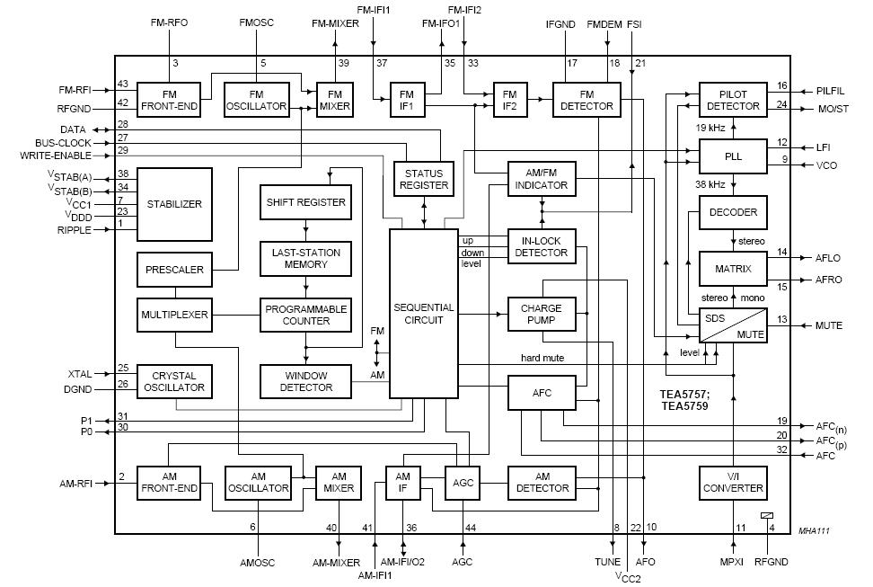
The TEA5757H/V1/S4 is a 44-pin integrated AM/FM stereo radio circuit including a novel tuning concept. The radio part is based on the TEA5712. The TEA5757H/V1/S4 is used in FM-standards in which the local oscillator frequency is above the radio frequency.
Parametrics
TEA5757H/V1/S4 absolute maximum ratings: (1)VCC1 supply voltage 2.5V to 12V; (2)VCC2 supply voltage for tuning: 12V; (3)Vtune tuning voltage 0.7V to VCC2-0.75V; (4)ICC1 supply current AM mode: 12mA to 18mA; (5)FM mode: 13 to 19mA; (6)IDD supply current AM mode: 3.3mA; (7)FM mode: 2.7mA; (8)ICC2 supply current for tuning in preset mode (band-end to band-end): 800 mA; (9)Tamb ambient temperature: -15 to +60℃.
Features
TEA5757H/V1/S4 features: (1)The tuning system has an optimized IC partitioning both from application (omitting interferences) and flexibility (removable front panel option) point of view: the tuning synthesizer is on-chip with the radio; (2)The tuning quality is superior and requires no IF-counter for stop-detection; it is insensitive to ceramic filter tolerances; (3)In combination with the microcontroller, fast, low power operation of preset mode, manual-search, auto-search and auto-store are possible; (4)The local (internal) controller function facilitates reduced and simplified microcontroller software; (5)The high integration level (radio and tuning synthesizer on one chip) means fewer external components with regard to the communication between the radio and the microcontroller (90% less components compared to the digital tuning application of a radio IC with external PLL tuning function) and a simple and small printed-circuit board; (6)There will be no application considerations for the tuning system, with regards to quality and high integration level, since there will be no external 110 MHz buffers, loop filter or false lock elimination; (7)The inherent FUZZY LOGIC behaviour of the Self Tuned Radio (STR), which mimics hand tuning, yields a potentially fast yet reliable tuning operation; (8)The level of the incoming signal at which the radio must lock is software programmable; (9)Two programmable ports; (10)High selectivity with distributed IF gain; (11)Soft mute; (12)Signal dependent stereo-blend; (13)High impedance MOSFET input on AM; (14)Wide supply voltage range of 2.5 to 12 V; (15)Low current consumption 18 mA at AM and FM (including tuning synthesizer); (16)High input sensitivity; (17)Low output distortion; (18)Due to the new tuning concept, the tuning is independent of the channel spacing.
Diagrams

![]() |
![]() TEA5040 |
![]() Other |
![]() |
![]() Data Sheet |
![]() Negotiable |
|
||||
![]() |
![]() TEA5040S |
![]() Other |
![]() |
![]() Data Sheet |
![]() Negotiable |
|
||||
![]() |
![]() TEA5101A |
![]() Other |
![]() |
![]() Data Sheet |
![]() Negotiable |
|
||||
![]() |
![]() TEA5101B |
![]() STMicroelectronics |
![]() Video Amplifiers RGB Amplifier |
![]() Data Sheet |
![]() Negotiable |
|
||||
![]() |
![]() TEA5114A |
![]() STMicroelectronics |
![]() Video ICs Video Switch |
![]() Data Sheet |
![]() Negotiable |
|
||||
![]() |
![]() TEA5115 |
![]() Other |
![]() |
![]() Data Sheet |
![]() Negotiable |
|
||||
(China (Mainland))








