Product Summary
The TPS54316PWP is a low-input-voltage high-output-current synchronous-buck PWM converter. It integrates all required active components. The TPS54316PWP is available in a thermally enhanced 20-pin TSSOP (PWP) PowerPAD package, which eliminates bulky heatsinks. The applications of the TPS54316PWP are Low-Voltage, High-Density Systems With Power Distributed at 5 V or 3.3 V, Point of Load Regulation for High Performance DSPs, FPGAs, ASICs, and Microprocessors, Broadband, Networking and Optical Communications Infrastructure, Portable Computing/Notebook PCs.
Parametrics
TPS54316PWP absolute maximum ratings: (1)Input voltage range: VIN, SS/ENA, SYNC:-0.3V to 7V, RT:-0.3V to 6V, VSENSE: -0.3V to 4V, BOOT: -0.3V to 17V; (2)Output voltage range: VBIAS, PWRGD, COMP:-0.3V to 7V, PH: -0.6V to 10V; (3)Source current:PH: internally limited, COMP, VBIAS: 6mA; (4)Sink current Sink current:PH:6A, COMP: 6mA, SS/ENA, PWRGD: 10mA; (5)Operating virtual junction temperature range:-40℃ to 125℃; (6)Storage temperature:-65℃ to 150℃; (7)Lead temperature 1,6 mm (1/16 inch) from case for 10 seconds:300℃.
Features
TPS54316PWP features: (1)60-mΩ MOSFET Switches for High Efficiency at 3-A Continuous Output Source or Sink Current; (2)0.9-V, 1.2-V, 1.5-V, 1.8-V, 2.5-V and 3.3-V Fixed Output Voltage Devices With 1% Initial Accuracy; (3)Internally Compensated for Low Parts Count; (4)Fast Transient Response; (5)Wide PWM Frequency: Fixed 350 kHz, 550 kHz, or Adjustable 280 kHz to 700 kHz; (6)Load Protected by Peak Current Limit and Thermal Shutdown; (7)Integrated Solution Reduces Board Area and Total Cost.
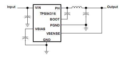
Diagrams

| Image | Part No | Mfg | Description | ![]() |
Pricing (USD) |
Quantity | ||||||||||||
|---|---|---|---|---|---|---|---|---|---|---|---|---|---|---|---|---|---|---|
![]() |
![]() TPS54316PWP |
![]() Texas Instruments |
![]() DC/DC Switching Regulators Lo-In Voltage 3A Sync Buck Converter |
![]() Data Sheet |
![]()
|
|
||||||||||||
![]() |
![]() TPS54316PWPG4 |
![]() Texas Instruments |
![]() DC/DC Switching Regulators Lo-In Voltage 3A Sync Buck Converter |
![]() Data Sheet |
![]()
|
|
||||||||||||
![]() |
![]() TPS54316PWPR |
![]() Texas Instruments |
![]() DC/DC Switching Regulators 3A Lw V Synch Buck |
![]() Data Sheet |
![]()
|
|
||||||||||||
![]() |
![]() TPS54316PWPRG4 |
![]() Texas Instruments |
![]() DC/DC Switching Regulators Lo-In Voltage 3A Sync Buck Converter |
![]() Data Sheet |
![]()
|
|
||||||||||||
(China (Mainland))









