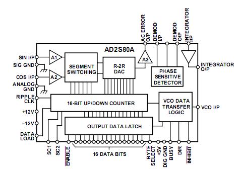
Product Summary
The AD2S80ATD is a monolithic 10-, 12-, 14- or 16-bit tracking resolver-to-digital converter contained in a 40-pin DIP or 44-pin LCC ceramic package. It is manufactured on a BiMOS II process that combines the advantages of CMOS logic and bipolar high accuracy linear circuits on the same chip. The AD2S80ATD allows users to select their own resolution and dynamic performance with external components. This allows the users great flexibility in defining the converter that best suits their system requirements. The converter allows users to select the resolution to he 10, 12, 14 or 16 bits and to track resolver signals rotating at up to 1040 revs per second(62,400 rpm) when set to 10-bit resolution. The AD2S80ATD converts resolver format input signals into a parallel natural binary digital word using a ratiometric tracking conversion method. This ensures high-noise immunity and tolerance of lead length when the converter is remote from the resolver.
Parametrics
AD2S80ATD absolute maximum ratings: (1)VS2: +14 V dc; (2)–VS: –14 V dc; (3)+VL: +VS; (4)Reference: +14 V to –VS; (5)SIN: +14 V to –VS; (6)COS: +14 V to –VS; (7)Any Logical Input: –0.4 V dc to +VL dc; (8)Demodulator Input: +14 V to –VS; (9)Integrator Input: +14 V to –VS; (10)VCO Input: +14 V to –VS; (11)Power Dissipation: 860 mW; (12)Operating Temperature, Commercial (JD, KD, LD): 0℃ to +70℃; (13)Industrial (AD, BD): –40℃ to +85℃; (14)Extended (SD, SE, TD, TE, UD, UE): –55℃ to +125℃; (15)qJC3 (40-Pin DIP 883 Parts Only): 11℃/W; (16)qJC3 (44-Pin LCC 883 Parts Only): 10℃/W; (17)Storage Temperature (All Grades): –65℃ to +150℃; (18)Lead Temperature (Soldering, 10 sec): +300℃.
Features
AD2S80ATD features: (1)Monolithic (BiMOS ll) Tracking R/D Converter, 40-Pin DIP Package; 44-Pin LCC Package; (2)10-,12-,14- and 16-Bit Resolution Set by User; (3)Ratiometric Conversion; (4)Low Power Consumption: 300 mW typ; (5)Dynamic Performance Set by User; (6)High Max Tracking Rate 1040 RPS (10 Bits) Velocity Output; (7)Industrial Temperature Range Versions; (8)Military Temperature Range Versions; (9)ESD Class 2 Protection (2,000 V min)/883 B Parts Available.
Diagrams

| Image | Part No | Mfg | Description | ![]() |
Pricing (USD) |
Quantity | ||||||
|---|---|---|---|---|---|---|---|---|---|---|---|---|
![]() |
![]() AD2S80ATD/B |
![]() |
![]() IC R/D CONV TRACKING 40CDIP |
![]() Data Sheet |
![]()
|
|
||||||
![]() |
![]() AD2S80ATD |
![]() |
![]() IC R/D CONV TRACKING 40CDIP |
![]() Data Sheet |
![]()
|
|
||||||
(China (Mainland))









