Product Summary
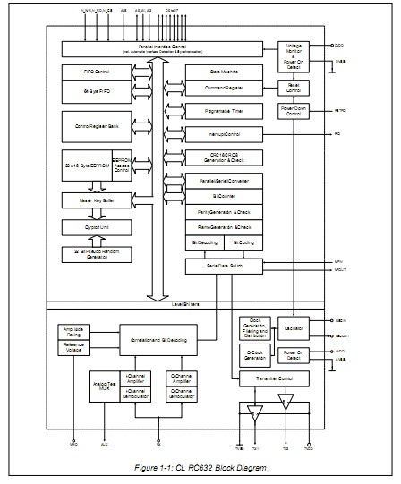
The CLRC632 is member of a new family of highly integrated reader ICs for contactless communication at 13.56 MHz. This reader IC family utilises an outstanding modulation and demodulation concept completely integrated for all kinds of passive contactless communication methods and protocols at 13.56 MHz. The CL RC632 supports all layers of the ISO14443 including the type A and type B communication scheme. The internal transmitter part is able to drive an antenna designed for proximity operating distance (up to 100 mm) directly without additional active circuitry.
Parametrics
CLRC632 absolute maximum ratings: (1)Ambient or Storage Temperature Range: -40 to +150 ℃; (2)DC Supply Voltages: -0.5 to 6 V; (3)Absolute voltage on any digital pin to DVSS: -0.5 to DVDD + 0.5 V; (4)Absolute voltage on RX pin to AVSS: -0.5 to AVDD + 0.5 V.
Features
CLRC632 features: (1)Highly integrated analog circuitry to demodulate and decode card/label response; (2)Buffered output drivers to connect an antenna with minimum number of external components; (3)Proximity operating distance (up to 100 mm); (4)Crypto1 and secure non-volatile internal key memory; (5)Pin-compatible to the MF RC500, MF RC530, MF RC531 and the SL RC400; (6)Parallel μ-Processor interface with internal address latch and IRQ line; (7)SPI compatible interface; (8)Flexible interrupt handling; (9)Automatic detection of parallel μ-Processor interface type; (10)Comfortable 64 byte send and receive FIFO-buffer; (11)Hard reset with low power function; (12)Power down mode per software; (13)Programmable timer; (14)Unique serial number; (15)User programmable start-up configuration; (16)Bit- and byte-oriented framing; (17)Independent power supply pins for digital, analog and transmitter part; (18)Internal oscillator buffer to connect 13.56 MHz quartz, optimised for low phase jitter; (19)Clock frequency filtering; (20)3.3 V to 5 V operation for transmitter (antenna driver) in short range and proximity applications; (21)3.3 V or 5V operation for the digital part.
Diagrams

| Image | Part No | Mfg | Description | ![]() |
Pricing (USD) |
Quantity | ||||||||||||
|---|---|---|---|---|---|---|---|---|---|---|---|---|---|---|---|---|---|---|
![]() |
![]() CLRC63201T/0FE,112 |
![]() NXP Semiconductors |
![]() RFID Transponder I.CODE HS READER |
![]() Data Sheet |
![]()
|
|
||||||||||||
| Image | Part No | Mfg | Description | ![]() |
Pricing (USD) |
Quantity | ||||||||||||
![]() |
![]() CLRC63201T/0FE,112 |
![]() NXP Semiconductors |
![]() RFID Transponder I.CODE HS READER |
![]() Data Sheet |
![]()
|
|
||||||||||||
![]() |
![]() CLRC66301HN,551 |
![]() NXP Semiconductors |
![]() RF Transceiver Contactless readr IC IC |
![]() Data Sheet |
![]()
|
|
||||||||||||
![]() |
![]() CLRC66301HN,557 |
![]() NXP Semiconductors |
![]() RF Transceiver Contactless readr IC IC |
![]() Data Sheet |
![]()
|
|
||||||||||||
![]() |
![]() CLRC66301HN,157 |
![]() NXP Semiconductors |
![]() RF Transceiver 13.56MHz 5V HVQFN32 |
![]() Data Sheet |
![]() Negotiable |
|
||||||||||||
![]() |
![]() CLRC66301HN,151 |
![]() NXP Semiconductors |
![]() RF Transceiver 13.56MHz 5V HVQFN32 |
![]() Data Sheet |
![]() Negotiable |
|
||||||||||||
(China (Mainland))










