Product Summary
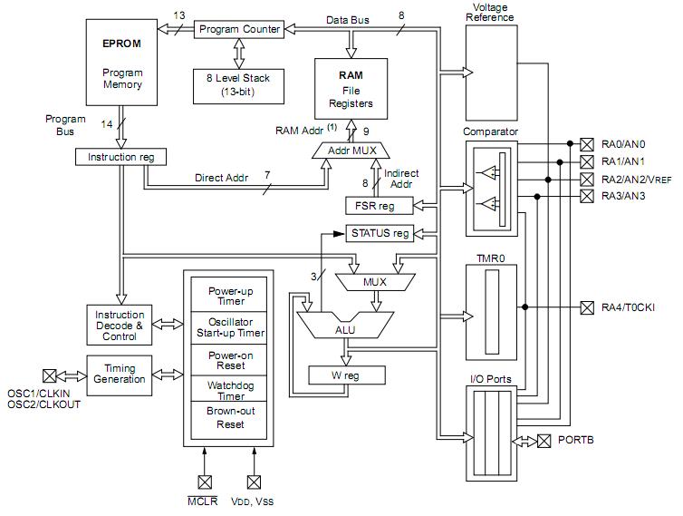
The PIC16C620AT-04I/SS is a low-cost, high-performance, CMOS, fully-static, 8-bit microcontroller. It has enhanced core features, eight-level deep stack, and multiple internal and external interrupt sources. The PIC16C620AT-04I/SS has 96 bytes of RAM. The device typically achieves a 2:1 code compression and a 4:1 speed improvement over other 8-bit microcontrollers in their class. The PIC16C620AT-04I/SS special features to reduce external components, thus reducing system cost, enhancing system reliability and reducing power consumption.
Parametrics
PIC16C620AT-04I/SS absolute maximum ratings: (1)Ambient Temperature under bias:-40℃ to +125℃; (2)Storage Temperature:-65℃ to +150℃; (3)Voltage on any pin with respect to VSS (except VDD and MCLR):-0.6V to VDD +0.6V; (4)Voltage on VDD with respect to VSS:0 to +7.5V; (5)Voltage on MCLR with respect to VSS:0 to +14V; (6)Total power Dissipation:1.0W; (7)Maximum Current out of VSS pin:300 mA; (8)Maximum Current into VDD pin:250 mA; (9)Input Clamp Current, IIK (VI <0 or VI> VDD):±20 mA; (10)Output Clamp Current, IOK (VO <0 or VO>VDD):±20 mA; (11)Maximum Output Current sunk by any I/O pin:25 mA; (12)Maximum Output Current sourced by any I/O pin:25 mA; (13)Maximum Current sunk by PORTA and PORTB:200 mA; (14)Maximum Current sourced by PORTA and PORTB:200 mA.
Features
PIC16C620AT-04I/SS features: (1)Only 35 instructions to learn; (2)All single-cycle instructions (200 ns), except for program branches which are two-cycle; (3)Operating speed:DC - 20 MHz clock input, DC - 200 ns instruction cycle; (4)Interrupt capability; (5)16 special function hardware registers; (6)8-level deep hardware stack; (7)Direct, Indirect and Relative addressing modes; (8)13 I/O pins with individual direction control; (9)High current sink/source for direct LED drive; (10)Timer0: 8-bit timer/counter with 8-bit programmable prescaler; (11)Power-on Reset (POR); (12)Power-up Timer (PWRT) and Oscillator Start-up Timer (OST); (13)Brown-out Reset; (14)Watchdog Timer (WDT) with its own on-chip RC oscillator for reliable operation; (15)Programmable code protection; (16)Power saving SLEEP mode; (17)Selectable oscillator options; (18)Serial in-circuit programming (via two pins); (19)Four user programmable ID locations.
Diagrams

| Image | Part No | Mfg | Description | ![]()  | 
                            Pricing (USD)  | 
                            Quantity | ||||||||||||
|---|---|---|---|---|---|---|---|---|---|---|---|---|---|---|---|---|---|---|
![]()  | 
                            ![]() PIC16C620AT-04I/SS  | 
                            ![]() Microchip Technology  | 
                            ![]() 8-bit Microcontrollers (MCU) .875KB 96 RAM 13 I/O 4 MHz IndTemp SSOP20  | 
                            ![]() Data Sheet  | 
                            ![]() 
  | 
                            
                            	 | 
                      ||||||||||||
| Image | Part No | Mfg | Description | ![]()  | 
                            Pricing (USD)  | 
                            Quantity | ||||||||||||
![]()  | 
                            ![]() PIC1018SCL  | 
                            ![]() Other  | 
                            ![]()  | 
                            ![]() Data Sheet  | 
                            ![]() Negotiable  | 
                            
                            	 | 
                      ||||||||||||
![]()  | 
                            ![]() PIC10F200  | 
                            ![]() Other  | 
                            ![]()  | 
                            ![]() Data Sheet  | 
                            ![]() Negotiable  | 
                            
                            	 | 
                      ||||||||||||
![]()  | 
                            ![]() PIC10F200-E/MC  | 
                            ![]() Microchip Technology  | 
                            ![]() 8-bit Microcontrollers (MCU) 384B Flash16B RAM 4 I/O  | 
                            ![]() Data Sheet  | 
                            ![]() 
  | 
                            
                            	 | 
                      ||||||||||||
![]()  | 
                            ![]() PIC10F200-E/OT  | 
                            ![]() Other  | 
                            ![]()  | 
                            ![]() Data Sheet  | 
                            ![]() Negotiable  | 
                            
                            	 | 
                      ||||||||||||
![]()  | 
                            ![]() PIC10F200-E/P  | 
                            ![]() Microchip Technology  | 
                            ![]() 8-bit Microcontrollers (MCU) U 579-PIC10F200-I/P  | 
                            ![]() Data Sheet  | 
                            ![]() Negotiable  | 
                            
                            	 | 
                      ||||||||||||
![]()  | 
                            ![]() PIC10F200-I/MC  | 
                            ![]() Microchip Technology  | 
                            ![]() 8-bit Microcontrollers (MCU) 0.375KB Fl 16B RAM  | 
                            ![]() Data Sheet  | 
                            ![]() 
  | 
                            
                            	 | 
                      ||||||||||||
 (China (Mainland)) 
                         
                        
                                    








