Product Summary
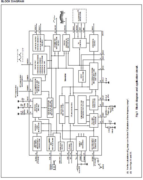
The TDA4856 is a high performance and efficient solution for autosync monitors. All functions are controllable by the I2C-bus. The TTDA4856 provides synchronization processing, horizontal and vertical synchronization with full autosync capability and very short settling times after mode changes. External power components are given a great deal of protection. The IC TDA4856 generates the drive waveforms for DC-coupled vertical boosters such as the TDA486x and TDA835x.
Parametrics
TDA4856 absolute maximum ratings: (1)VCC, supply voltage: -0.5 to +16 V; (2)Vi(n) input voltage on pins: BAIN: -0.5 to +6.0 V; HSYNC, VSYNC, VREF, HREF, VSMOD and HSMOD: -0.5 to +6.5 V; SDA and SCL: -0.5 to +8.0 V; XRAY: -0.5 to +8.0 V; (3)Vo(n), output voltage on pins: VOUT2, VOUT1 and HUNLOCK: -0.5 to +6.5 V; BDRV and HDRV: -0.5 to +16 V; (4)VI/O(n), input/output voltages at pins BOP and BSENS: -0.5 to +6.0 V; (5)Io(HDRV), horizontal driver output current: 100 mA; (6)Ii(HFLB), horizontal flyback input current: -10 to +10 mA; (7)Io(CLBL), video clamping pulse/vertical blanking output current: -10 mA; (8)Io(BOP), B+ control OTA output current: 1mA; (9)Io(BDRV), B+ control driver output current: 50 mA; (10)Io(EWDRV), EW driver output current: -5mA; (11)Io(FOCUS), focus driver output current: -5mA; (12)Tamb, operating ambient temperature: -20 to +70℃; (13)Tj, junction temperature: 150℃; (14)Tstg, storage temperature: -55 to +150℃; (15)VESD, electrostatic discharge for all pins: -150 to +150 V.
Features
TDA4856 features: (1)Full horizontal plus vertical autosync capability; (2)Extended horizontal frequency range from 15 to 130 kHz; (3)Comprehensive set of I2C-bus driven geometry adjustments and functions, including standby mode; (4)Very good vertical linearity; (5)Moire cancellation; (6)Start-up and switch-off sequence for safe operation of all power components; (7)X-ray protection; (8)Power dip recognition; (9)Flexible switched mode B+ supply function block for feedback and feed forward converter; (10)Internally stabilized voltage reference; (11)Drive signal for focus amplifiers with combined horizontal and vertical parabola waveforms; (12)DC controllable inputs for Extremely High Tension (EHT) compensation; (13)SDIP32 package.
Diagrams

| Image | Part No | Mfg | Description | ![]() |
Pricing (USD) |
Quantity | ||||
|---|---|---|---|---|---|---|---|---|---|---|
![]() |
![]() TDA4856 |
![]() Other |
![]() |
![]() Data Sheet |
![]() Negotiable |
|
||||
| Image | Part No | Mfg | Description | ![]() |
Pricing (USD) |
Quantity | ||||
![]() |
![]() TDA4010 |
![]() Other |
![]() |
![]() Data Sheet |
![]() Negotiable |
|
||||
![]() |
![]() TDA4050-B |
![]() Other |
![]() |
![]() Data Sheet |
![]() Negotiable |
|
||||
![]() |
![]() TDA4092 |
![]() Other |
![]() |
![]() Data Sheet |
![]() Negotiable |
|
||||
![]() |
![]() TDA4173 |
![]() Other |
![]() |
![]() Data Sheet |
![]() Negotiable |
|
||||
![]() |
![]() TDA4200-3 |
![]() Other |
![]() |
![]() Data Sheet |
![]() Negotiable |
|
||||
![]() |
![]() TDA4210-3 |
![]() Other |
![]() |
![]() Data Sheet |
![]() Negotiable |
|
||||
(China (Mainland))









