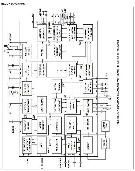
Product Summary
The TDA8842 is a I2C-bus controlled single chip TV processor which is intended to be applied in PAL, NTSC, PAL/NTSC and multi-standard television receivers. The N2 version is pin and application compatible with the N1 version, however, a new feature has been added which makes the N2 more attractive. The TDA8842 IF PLL demodulator has been replaced by an alignment-free IF PLL demodulator with internal VCO (no tuned circuit required). The setting of the various frequencies (33.4, 33.9, 38, 38.9, 45,75 and 58.75 MHz) can be made via the I2C-bus.
Parametrics
TDA8842 absolute maximum ratings: (1)VP, supply voltage: 9.0 V; (2)Tstg, storage temperature: -25 to +150℃; (3)Tamb, operating ambient temperature: 0 to 70℃; (4)Tsol, soldering temperature for 5 s: 260℃; (5)Tj, operating junction temperature: 150℃; (6)Ves, electrostatic handling: -200 to +200 V.
Features
TDA8842 features: (1)Multi-standard vision IF circuit with an alignment-free PLL demodulator without external components; (2)Alignment-free multi-standard FM sound demodulator (4.5 MHz to 6.5 MHz); (3)Audio switch; (4)Flexible source selection with CVBS switch and Y(CVBS)/C input so that a comb filter can be applied; (5)Integrated chrominance trap circuit; (6)Integrated luminance delay line; (7)Asymmetrical peaking in the luminance channel with a (defeatable) noise coring function; (8)Black stretching of non-standard CVBS or luminance signals; (9)Integrated chroma band-pass filter with switchable centre frequency; (10)Dynamic skin tone control circuit; (11)Blue stretch circuit which offsets colours near white towards blue; (12)RGB control circuit with Continuous Cathode Calibration and white point adjustment; (13)Possibility to insert a blue back option when no video signal is available; (14)Horizontal synchronization with two control loops and alignment-free horizontal oscillator; (15)Vertical count-down circuit; (16)Vertical driver optimised for DC-coupled vertical output stages; (17)I2C-bus control of various functions.
Diagrams

![]() |
![]() TDA8000 |
![]() Other |
![]() |
![]() Data Sheet |
![]() Negotiable |
|
||||
![]() |
![]() TDA8000T |
![]() Other |
![]() |
![]() Data Sheet |
![]() Negotiable |
|
||||
![]() |
![]() TDA8001 |
![]() Other |
![]() |
![]() Data Sheet |
![]() Negotiable |
|
||||
![]() |
![]() TDA8002 |
![]() Other |
![]() |
![]() Data Sheet |
![]() Negotiable |
|
||||
![]() |
![]() TDA8002C |
![]() Other |
![]() |
![]() Data Sheet |
![]() Negotiable |
|
||||
![]() |
![]() TDA8002C/CD |
![]() NXP Semiconductors |
![]() I/O Controller Interface IC SMRT CRD INTERFCE IC |
![]() Data Sheet |
![]() Negotiable |
|
||||
(China (Mainland))








