Product Summary
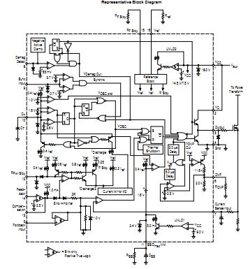
The MC44603P is an enhanced high performance controller that is specifically designed for off–line and dc–to–dc converter applications. This device has the unique ability of automatically changing operating modes if the converter output is overloaded, unloaded, or shorted, offering the designer additional protection for increased system reliability. The MC44603P has several distinguishing features when compared to conventional SMPS controllers. These features consist of a foldback facility for overload protection, a standby mode when the converter output is slightly loaded, a demagnetization detection for reduced switching stresses on transistor and diodes, and a high current totem pole output ideally suited for driving a power MOSFET. The MC44603P can also be used for driving a bipolar transistor in low power converters (< 150 W). The MC44603P is optimized to operate in discontinuous mode but can also operate in continuous mode. Its advanced design allows use in current mode or voltage mode control applications.
Parametrics
MC44603P absolute maximum ratings: (1)Total Power Supply and Zener Current, (ICC + IZ): 30 mA; (2)Supply Voltage with Respect to Ground (Pin 4), VC: 18 V; (3)Output Current, Source IO(Source): 750mA; Sink IO(Sink): 750mA; (4)Output Energy (Capacitive Load per Cycle), W: 5.0 μJ; (5)RF Stby, CT, Soft–Start, Rref, RP Stby Inputs, Vin: –0.3 to 5.5 V; (6)Foldback Input, Current Sense Input, E/A Output, Voltage Feedback Input, Overvoltage Protection, Synchronization Input, Vin: –0.3 to VCC + 0.3V; (7)Synchronization Input, High State Voltage, VIH: VCC + 0.3 V; Low State Reverse Current, VIL: –20 mA; (8)Demagnetization Detection Input Current, Source Idemag–ib (Source): –4.0mA; Sink Idemag–ib (Sink): 10mA; (9)Error Amplifier Output Sink Current, IE/A (Sink): 20 mA; (10)Power Dissipation and Thermal Characteristics, P Suffix, Dual–In–Line, Case 648, Maximum Power Dissipation at TA = 85℃, PD: 0.6 W; Thermal Resistance, Junction–to–Air, RθJA: 100℃/W; DW Suffix, Surface Mount, Case: 751G; Maximum Power Dissipation at TA = 85℃, PD: 0.45 W; Thermal Resistance, Junction–to–Air RθJA: 145℃/W; (11)Operating Junction Temperature, TJ: 150℃; (12)Operating Ambient Temperature, TA: –25 to +85℃.
Features
MC44603P features: (1)Overvoltage Protection Against Open Current and Open Voltage Loop; (2)Protection Against Short Circuit on Oscillator Pin; (3)Fully Programmable Foldback; (4)Soft–Start Feature; (5)Accurate Maximum Duty Cycle Setting; (6)Demagnetization (Zero Current Detection) Protection; (7)Internally Trimmed Reference.
Diagrams

| Image | Part No | Mfg | Description | ![]() |
Pricing (USD) |
Quantity | ||||
|---|---|---|---|---|---|---|---|---|---|---|
![]() |
![]() MC44603P |
![]() ON Semiconductor |
![]() Other Power Management Voltage/Current PWM |
![]() Data Sheet |
![]() Negotiable |
|
||||
![]() |
![]() MC44603PG |
![]() ON Semiconductor |
![]() Other Power Management Voltage/Current PWM w/Bust Mode Standby |
![]() Data Sheet |
![]() Negotiable |
|
||||
(China (Mainland))









